#1 2025-11-19 15:56:59

nickjust
Учасник
Зареєстрований: 2024-06-13
Повідомлень: 39

Arduino vs LabPower

Вітаю!
Колега просить зробити лабораторнік на базі Ардуіно
Хоче 2х полярний,0-28 вольт,Макс. ток 2 А
Регулювання U=0.1 вольт  , I=1mA


На крайняк просить

0.5-24 вольта
ток 1ма-1000ма (шаг 1ма)
Макс 1 А
Однополярний

*Oled disp
Маю в наявності
ads1115
mcp4725
mcp3421
ina226

що запропонуєте?

Остання редакція nickjust (2025-11-19 16:07:47)

Неактивний

#2 2025-11-19 17:02:47

jokeer
Гість

Re: Arduino vs LabPower

Трансформатор, дебелі аналогові стабілізатори, радіатор побільше, щоб 100 ват зміг віддати.
А на ардуїні - дисплей і управління.

#3 2025-11-19 23:09:39

nickjust
Учасник
Зареєстрований: 2024-06-13
Повідомлень: 39

Re: Arduino vs LabPower

макс ток 1-2 ампера

Неактивний

#4 2025-11-19 23:53:32

dimich
Учасник
Зареєстрований: 2023-12-01
Повідомлень: 778

Re: Arduino vs LabPower

nickjust пише:

Хоче 2х полярний,0-28 вольт,Макс. ток 2 А
...На крайняк просить ... Однополярний

Ви визначіться, який хочете. Від цього залежить і загальна топологія, і вибір компонентів.

nickjust пише:

ток 1ма-1000ма (шаг 1ма)
що запропонуєте?

Для початку - спробувати реалізувати регулятор струму з точністю 0.1%, взявши готовий БЖ в якості джерела живлення.

Неактивний

#5 2025-11-20 11:48:12

jokeer
Гість

Re: Arduino vs LabPower

2А х 28В х 2 == 100 вт.
Якщо хочеться аналоговий - десь так. Якщо ВЧ завади не важливі - можна і імпульсний замутити.
Взагалі не бачу особливого смислу в такому апараті. Для ігр в підсилювачі менше ніж +-12В якось несерйозно. Для цифри - 5в, 3.3в. Для імітації батарейного живлення - набір фіксованих напруг.

#6 2025-11-20 13:19:24

nickjust
Учасник
Зареєстрований: 2024-06-13
Повідомлень: 39

Re: Arduino vs LabPower

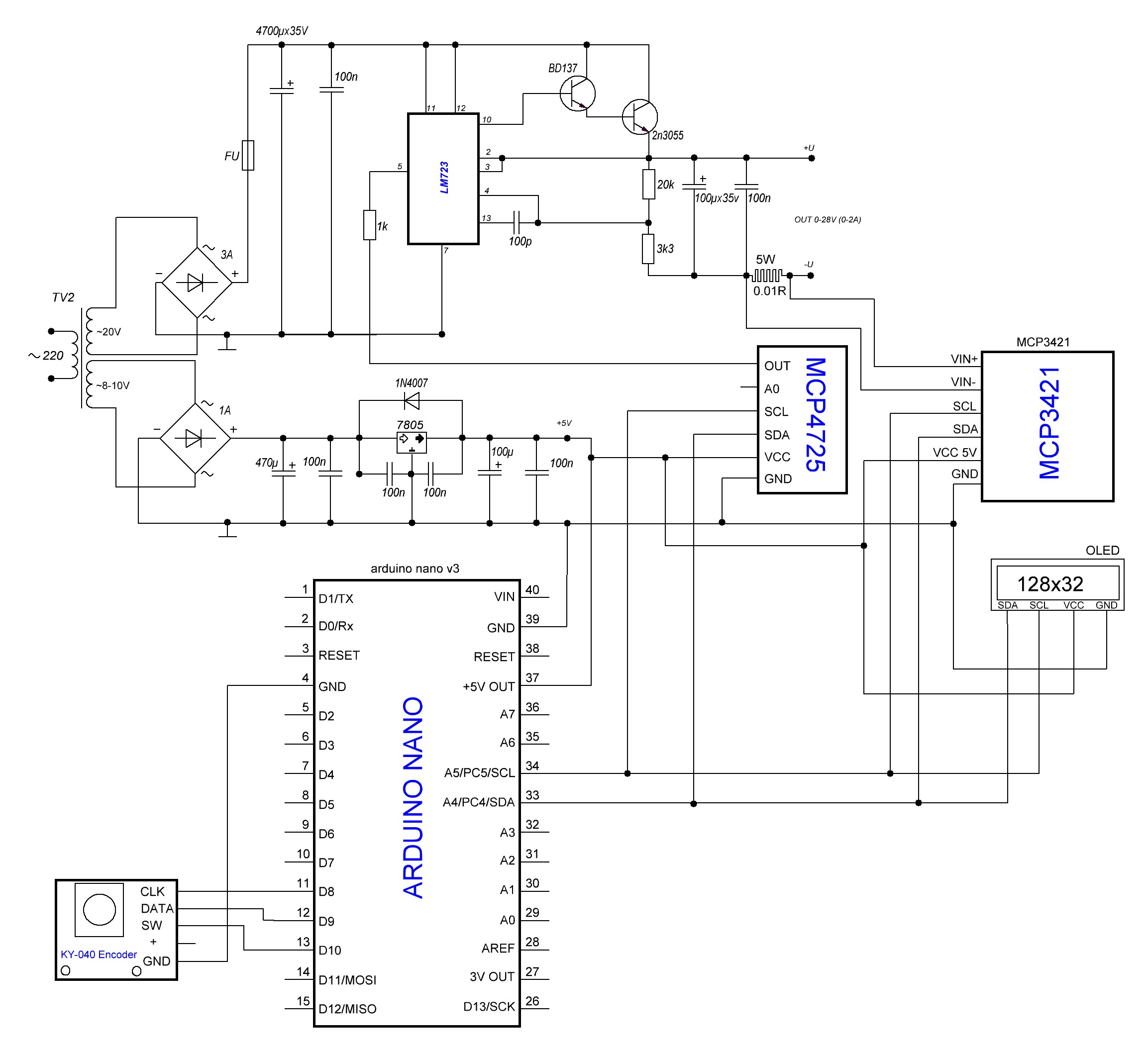
Я не в курсі що він мутить ...він зара на фронті
вот ескіз ..що скажете?
LBP.jpg

Неактивний

#7 2025-11-20 14:22:16

dimich
Учасник
Зареєстрований: 2023-12-01
Повідомлень: 778

Re: Arduino vs LabPower

nickjust пише:

вот ескіз ..що скажете?

Я б не назвав це лабораторним блоком живлення. Який у нього буде відгук на зміну струму по зворотньому звʼязку через повільний дельта-сігма АЦП, I²C, та ще й дисплей на цій же шині?
Постійна часу на виході більше 2х секунд: при малому навантаженні зменшення вихідної напруги відбуватиметься доволі повільно.
Є великі сумніви, що зі звичайним шунтом ви отримаєте точність регулювання струму в 1 мА.
Нижня границя вихідної напруги, якщо не помиляюсь - не менше 2 В, ніяк не 0.5.
Для ЛБЖ зворотній звʼязок по струму має бути аналоговим. А там уже все одно, чим виставляти референс: контролером чи звичайним потенціометром. Або, якщо так вже хочеться цифровий зворотній звʼязок, то потрібен спеціалізований контролер, щось типу сімейства C2000 від TI.

Неактивний

#8 2025-11-20 22:29:36

jokeR
Учасник
Зареєстрований: 2024-12-12
Повідомлень: 184

Re: Arduino vs LabPower

Так, захист від перевантаження працювати не буде. Фактично це показометр. А замутитити і аналоговий захист, і цифрове управління, і щоб показометр показував те що треба - треба поморочитись. Ну, або взяти щось спеціальне - але воно буде коштувати дорожче ніж готовий блок живлення. Ну або не упарюватись в універсальність, а вияснити що саме потрібно бачити.
До речі, якщо планується індуктивне навантаження, типу bldc мотора, треба придумати якийсь захист від імпульсів напруги.

Неактивний

#9 2025-11-20 22:37:14

nickjust
Учасник
Зареєстрований: 2024-06-13
Повідомлень: 39

Re: Arduino vs LabPower

2dimich
Запропонуйте!
На чом би робили і таке інше....

Остання редакція nickjust (2025-11-20 22:38:05)

Неактивний

#10 2025-11-21 02:43:41

dimich
Учасник
Зареєстрований: 2023-12-01
Повідомлень: 778

Re: Arduino vs LabPower

nickjust пише:

Запропонуйте!
На чом би робили і таке інше....

Я б не робив, бо давно ще придбав Yihua середньої паршивості, і мені його вистачає. Виготовляти пристрій в одному екземплярі, що аналогічний існуючим на ринку - завжди дорожче, не кажучи вже про витрачений час.

Якщо ж чисто поміркувати, то залежить від вимог: які допустимі пульсації, необхідний transient response, обмеження по габаритах і т.п.
Кожна проблема зазвичай має декілька можливих рішень, кожне з них - гілка на дереві рішень, яка і далі розгалужується.

Якщо робити чисто лінійний регулятор на 25В 1А, потрібно або радіатор, щоб розсіював до 25 Вт, або трансформатор з відводами від вторинної обмотки, і комутувати їх в залежності від вихідної напруги (як це робиться в багатьох ЛБЖ).

Можна зробити імпульсник. Але це більші пульсації, EMI та гірший відгук на зміну навантаження. Також у імпульсника слабка розвʼязка з мережею по ємності: для такого ЛБЖ обовʼязкове заземлення.

Можна обʼєднати обидва варіанта: спочатку імпульсник, який видає напругу на 2-3 вольта вищу за потрібну, після нього лінійний регулятор. Тоді при 1A достатньо розсіювати до 3 Вт на лінійному та приблизно стільки ж на імпульснику.

Щоб отримати нижню границю напруги меншу за VFB регулятора, напругу з дільника можна підсилити операційником. А у операційника свої параметри, такі як напруга зміщення, slew rate, гранична частота і т.д. Вони можуть погіршити характеристики пристрою в цілому, тому їх теж потрібно врахувати.

Напругу зі струмового шунта потрібно теж підсилювати операційником і подавати на зворотній звʼязок регулятора. А якщо потрібна висока точність, то і операційник має бути відповідним, і шунт.

Особисто мені не подобаються шунти в нижньому плечі. В загальному випадку це не суттєво, але я б розглянув варіант із шунтом у верхньому плечі, до дільника зворотнього звʼязку по напрузі.

Вихідна ємність в ЛБЖ має бути не більше кількох мікрофарад, при збереженні допустимого рівня пульсацій. Або шунтуючий баласт, щоб розряджати цю ємність, коли встановлена напруга стає меншою за наявну на виході.

Неактивний

#11 2025-11-21 19:37:29

nickjust
Учасник
Зареєстрований: 2024-06-13
Повідомлень: 39

Re: Arduino vs LabPower

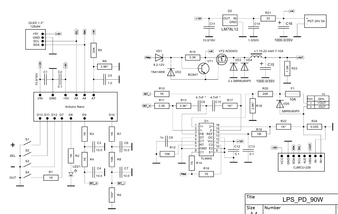
Дали схему ,що скажете?
lbp2.jpg

Неактивний

#12 2025-11-21 20:04:26

jokeer
Гість

Re: Arduino vs LabPower

Мабуть краще нормальний DAC взяти. Схема з set_u , set_i не викликає довіри.

#13 2025-11-22 03:49:28

dimich
Учасник
Зареєстрований: 2023-12-01
Повідомлень: 778

Re: Arduino vs LabPower

nickjust пише:

Дали схему ,що скажете?

Якась дивна схема керуванням мосфетом - послідовно через стабілітрон. Чому б не керувати мосфетом як в більшості DC-DC модулів на TL494. Взагалі, при струмі до 1 А можна й біполярники поставити, як в даташиті.

На шунті 5 мОм при 1 А буде 5 мВ, а у підсилювача помилки тільки напруга зміщення біля 2 мВ. Дуже сумніваюсь, що воно працюватиме як задумано.

Навряд чи у БЖ по такій схемі будуть в чомусь кращі характеристики за китайські DC-DC модулі на TL494, що продаються на кожному куті.

Спробуйте, зберіть силову частину, протестуйте. Якщо по всім параметрам відповідатиме вимогам, тоді вже прикручуйте до нього  керування.

Остання редакція dimich (2025-11-22 03:58:14)

Неактивний

#14 2025-11-22 08:41:13

nickjust
Учасник
Зареєстрований: 2024-06-13
Повідомлень: 39

Re: Arduino vs LabPower

Дякую! Мені цікава ваша думка
ИМХО ..
Зберу силову частину на LM723 - а потім буду пробувати цифру
(В мене блок живлення PS1502 працює вже 20 років на LM723)

Неактивний

Швидке повідомлення

Введіть повідомлення і натисніть Надіслати

Підвал форуму